V ibrator series 振动器系列
A ir hammer series 气锤系列
R odless cylinder series 无杆气缸系列
M anual valve 手动阀
N
on standard
customization
非标定制系列

一、新产品说明
QJQ3A活塞式振动器(带缓冲)是我厂最新研发的新一代产品(矮化中频振动器)其优点:重量轻、体积小、振动力大、可任意方向安装,解决了必须倾斜安装的不足。无油润滑、节气节能环保、使用寿命长等优点。

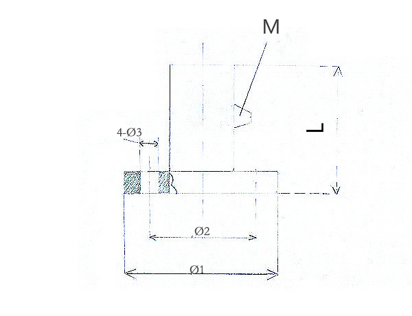
二、振动器技术性能参数
| 振动器型号规格 | L | Ø1 | Ø2 | Ø3 | 进气口M |
| QJQ3A32 | 108 | 74 | 58 | 8 | 1/4" |
| QJQ3A40 | 108 | 79 | 66 | 8 | 1/4" |
| QJQ3A50 | 108 | 89 | 76 | 10 | 1/4" |
| QJQ3A60 | 108 | 108 | 94 | 10 | 1/4" |
| QJQ3A70 | 121 | 124 | 108 | 14 | 1/4" |
| QJQ3A80 | 121 | 134 | 116 | 14 | 1/4" |
| 振动器型号规格 | 振动力 | 频率HZ | 耗气量L/min | 噪音dB | 适用温度℃ | 重量kg | ||
| 0.3MPa | 0.4MPa | 0.6MPa | ||||||
| QJQ3A-32 | 373 | 584 | 790 | 30-90 | 180 | 45 | -8-70 | 1.6 |
| QJQ3A-40 | 490 | 780 | 1009 | 30-83 | 200 | 45 | -8-70 | 2 |
| QJQ3A-50 | 600 | 930 | 1190 | 30-70 | 230 | 45 | -8-70 | 2.65 |
| QJQ3A-60 | 800 | 1100 | 1720 | 28-65 | 245 | 55 | -8-70 | 3.7 |
| QJQ3A-70 | 960 | 1300 | 1800 | 28-60 | 260 | 55 | -8-70 | 4.8 |
| QJQ3A-80 | 1200 | 1780 | 2100 | 25-55 | 280 | 65 | -8-70 | 5.7 |