V ibrator series 振动器系列
A ir hammer series 气锤系列
R odless cylinder series 无杆气缸系列
M anual valve 手动阀
N
on standard
customization
非标定制系列

1、特点及用途:
CWC磁性无杆气缸是通过活塞上的内置磁环和缸筒外外置磁环的径向磁力传递功率而带动负载。它除了无杆气缸占地面积小的特点外,还具有重量轻的特点。特别适用于行程范围大,而受到空间限制的场合,且能在杂质少、腐蚀性低的液体中使用。负载车材料为铝合金。
2、安装使用说明:
要在工作气压(0.2Mpa~0.7Mpa)、工作温度(5°C~80°C)与额定输出力范围内使用,以免减少使用寿命。
压缩空气中含有水分和杂质,会造成管路及配件、气缸锈蚀,需要经过三联件(过滤器、调压阀、油雾器),然后供给到气缸。
需要高速运行时,不应安装节流阀。
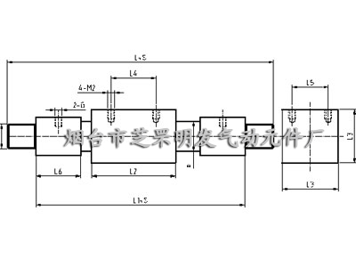
3、外形图:


4、尺寸参数:
| 缸径(mm) | L | L1 | L2 | L3 | L4 | L5 | L6 | Φ | 安装螺纹M1 | M2 | 进气口G |
| 20 | 236 | 194 | 82 | 50 | 51 | 30 | 33 | 21.5 | 18×1.5 | M6深8 | 1/8" |
| 25 | 236 | 194 | 82 | 55 | 51 | 35 | 33 | 26.5 | 20×1.5 | M6深8 | 1/8" |
| 32 | 254 | 212 | 102 | 65 | 51 | 45 | 37 | 33.6 | 24×1.5 | M6深8 | 1/8" |
| 40 | 274 | 232 | 102 | 80 | 65 | 50 | 37 | 41.5 | 30×1.5 | M6深8 | 1/4" |
| 50 | 288 | 246 | 102 | 90 | 65 | 65 | 37 | 53 | 42×1.5 | M8深12 | 1/4" |
| 63 | 288 | 246 | 102 | 105 | 65 | 80 | 37 | 66 | 52×1.5 | M8深12 | 1/4" |
5、技术参数:
工作气压0.2~0.7Mpa,环境温度5~80°C
| 缸径 (mm) | 行程范围 (mm) | 输出力 (N) | 空载运动速度(mm/s) | ||||
| 0.2 MPa | 0.4 MPa | 0.6 MPa | 0.2 MPa | 0.4 MPa | 0.6 MPa | ||
| 20 | 1-1000 | 62 | 125 | 188 | 600 | 800 | 1000 |
| 25 | 1-1000 | 98 | 196 | 294 | 600 | 700 | 900 |
| 32 | 1-2000 | 160 | 321 | 482 | 600 | 650 | 850 |
| 40 | 1-2500 | 251 | 502 | 753 | 550 | 600 | 800 |
| 50 | 1-2700 | 392 | 785 | 1177 | 550 | 600 | 750 |
| 63 | 1-2700 | 623 | 1246 | 1869 | 550 | 550 | 700 |